
性能特點:
1、zui大流量500L/h,zui高壓力25Mpa;
2、脈沖小、噪音低。
技術參數:
|
型號規格 |
流量(L/h) |
壓力(Mpa) |
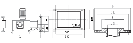
安裝尺寸(mm) |
||||||
|
DN |
D |
K |
d |
H1 |
H2 |
L |
|||
|
2J-X-8/25 |
8 |
25 |
8 |
90 |
60 |
41 |
162 |
162 |
|
|
2J-X-14/16 |
14 |
16 |
|||||||
|
2J-X-22/10 |
22 |
10 |
|||||||
|
2J-X-38/6.4 |
38 |
6.4 |
|||||||
|
2J-X-62/4.0 |
62 |
4.0 |
|||||||
|
2J-X-125/2.5 |
125 |
2.5 |
|||||||
|
2J-X-250/1.6 |
250 |
1.6 |
12 |
95 |
60 |
46 |
167 |
167 |
|
|
2J-X-310/1.2 |
310 |
1.2 |
|||||||
|
2J-X-390/1.0 |
390 |
1.0 |
|||||||
|
2J-X-500/0.5 |
500 |
0.5 |
|||||||
電機功率:0.55KW-0.75KW 轉速:1400r/min
安裝尺寸(mm):
